3d. When things don't work: -35/-133 MPU Game ROMs, EPROMs, and
Jumpers.
Important: Before you Change any Jumpers!!
It is EXTREMELY important that you have a working MPU board
before you change any jumper locations! If the MPU board
currently has ROMs in it, get it working first before playing
with the jumpers. If the MPU board is jumpered incorrectly
for the game ROMs installed, the diagnostic LED light will stay
on, and the board will not power-up. So it is absolutely important
that the jumpers are correct for the ROMs installed. Get the
MPU board working first before proceeding.
Also of course, make sure the board being worked on is a AS-2518-35 (or AS-2518-133) MPU
(remember the -133 is really a -35 board with R113 changed to a diode CR52). The easiest
way to tell (besides looking at the silkscreened part number on
the board!) is to examine connector J5. On a -35/-133
MPU board, J5 will have 33 pins (including the removed "key" pin).
Max out ROM Memory on the -35 MPU to use 2732 EPROMs.
Jumpering is not a big problem until the MPU's ROM chips begin
to fail, and MPU boards are shifted from game to game.
An MPU board can only be jumpered so many times before
the traces and jumpers start to lift and strip off the
board. So instead of custom jumpering a board to a particular
set of ROMs, the best idea is to maximize the board
to use the largest EPROM size, and cater the EPROMs
themselves to the board (instead of the other way around).
This really makes sense as the largest EPROMs that will
fit the -35 MPU board are 2732's, which are commonly and
cheaply available. For this reason, the Bally ROM code
has been re-formated to fit this size EPROM.
The original program size and code is still available from Williams at
www.pinball.wms.com/tech/roms.html.
But I highly suggest you down load the ZIP file
bly2732.zip
instead, as it contains
all the Bally ROMs for all games from Freedom (1977) to Cybernaut (1985), and has been
converted to 2732 format.
Only Baby Pacman and Granny and the Gators ROMs are missing from
this file. Using these files will allow you to use a -35 MPU
board for ANY Bally game from 1977 to 1985.
One set of Jumpers for a -35 MPU using 2732 EPROMs.
For the -35 MPU board, using all 2732 for ANY game has the advantage
of just one set of jumpers. Just download the above file and
expand it, and burn your game into 2732 EPROMs. Then jumper your
-35 MPU board like this:
- Jump E4 to E13a
- Jump E12 to GND (large GND trace next to the ROM sockets)
- Jump E7 to E8
- Jump E10 to E11
- Jump E31 to E32
- Jump E16a to E29
- Jump E33 to E35
Jumpers around the U1 socket, for using two 2732 EPROMs:
Jumpers E4 to E13a (top blue wire), E12 to GND (right blue wire),
E7 to E8 (middle left), and E10 to E11 (lower right).
|
|
Jumpers around the U6 socket, for using two 2732 EPROMs:
E16a to E29, E33 to E35, and E31 to E32.
|
|
If you don't want to convert your game to 2732 format, you
can also use these jumpers for other types of ROMs in your
-35 MPU board.
Using 2532 EPROMs instead of 9332 Masked ROMs.
If the game in question is a later Bally game with 9332 masked
ROMs, these can be changed to 2532 EPROMs with NO jumper modifications!
This can be handy and convenient if the original black 9332 masked
ROMs need changing, but the repair person doesn't want to mess
with the jumpers.
The "Mother" Source for Jumper Info.
All the following jumper information came from several sources.
The primary source is, of course, the original MPU board schematics.
There were also two secondary sources too. First was Williams
web site, located at
http://www.pinball.wms.com/tech/bally_read1st.txt
|
Bally -35 MPU Jumpers
|
U2 ROM |
U6 ROM |
U1 ROM |
MPU Board Jumpers in numberic order |
Cuts |
| 9316 |
9316 |
9316 |
1-4,2-6,7-8,9-11,12-36,13-15,16a-19,31-32,33-34 |
|
| 2716 |
|
2716 |
1-5,2-4,7-8,10-12,16a-18,31-32,33-35 |
|
| 74S474 |
74S474 |
2716 |
1-3,2-6,9-11,12-36,13-15,16a-18,31-32,33-35 |
|
2532 or 9332 |
2532 or 9332 |
  |
4-12, 7-8, 10-11, 13a-14, 16a-34, 29-33, 31-32 |
cut 13-15 |
2532 or 9332 |
2732 |
  |
4-12,7-8,10-11,13a-14,16a-29,31-32,33-35 |
cut 13-15 |
| 9316 |
9316 |
  |
2-6,7-8,9-11,12-36,13-15,16a-17,31-32,33-34 |
|
| 9316 |
2716 |
9316 |
1-4,2-6,7-8,9-11,12-36,13a-19,16a-18,31-32,33-35 |
cut 13-15 |
| 2716 |
9316 |
  |
1-5,2-4,7-8,10-12,11-29,13a-14,16a-19,31-32,33-34 |
cut 13-15 |
| 2716 |
2716 |
  |
1-5,2-4,7-8,10-12,11-29,13a-14,16a-18,31-32,33-35 |
cut 13-15 |
| 2716 |
2716 |
2716 |
1-5,2-4,7-8,10-12,11-25,13a-14,16a-18,31-32,33-35 |
cut 13-15 |
| 2716 |
9316 |
2716 |
1-5,2-4,7-8,10-12,11-25,13a-14,16a-19,31-32,33-34 |
cut 13-15 |
| 2716 |
2532 or 9332 |
2716 |
1-5,2-4,7-8,10-12,11-25,13a-14,16a-34,29-33,31-32 |
cut 13-15 |
| 2732 |
2716 |
  |
4-13a, 7-8, 10-11, 12-GND, 16a-18, 31-32, 33-35 |
cut 13-15 |
| 2732 |
2732 |
  |
4-13a, 7-8, 10-11, 12-GND, 16a-29, 31-32, 33-35 |
cut 13-15 |
U2 ROM |
U6 ROM |
U1 ROM |
MPU Board Jumpers in numeric order |
Cuts |
The first three rows of this table are commonly found factory ROM
jumpers.
Stuff to remember:
- Bally uses a preceding "E" on all jumper numbers. Yes, the "E" has
been left out above to save some space in the chart.
- The "dash" between the numbers is the "jump". That is, "1-4" means
a jumper from E1 to E4.
- Remove any jumpers not shown above for a given configuration. If
it's not mentioned above for your ROM set up, you don't need that jumper!
- Don't trust other Bally jumper charts! The above chart is "the one to use"
(using Bally published jumper charts can lead to problems).
- You must know the ROM device type installed at each ROM location.
The Bally part number (often printed on the ROM) does not help.
- BLACK masked ROMs, as used in many Bally games, are entirely
black and usually have some white part numbers printed on them. These are
known as 9316 masked ROMs.
- EPROMs, on the other hand, have a small clear "window" on their top, often
with a sticker over the window. The sticker is there for a reason; it prevents
UV light from entering the EPROM's clear window (this is how an EPROM is
erased! so keep the sticker on the window). EPROMs are labeled
as to their size (i.e. "2716").
- The most common EPROMs used on Bally MPU boards are 2716, 2532 and 2732 EPROMs.
- ROMs and EPROMs are game specific. Each game has its own custom set of
ROM computer code, stored on that game's ROMs (or EPROMs).
- Some EPROM part numbers are interchangable. For example, 2532 EPROMs, 9332 masked ROMs,
and 8332 masked ROMs all use the same jumper setting.
But a U2 2532 EPROM from a Kiss game is NOT interchangable with a
U2 9332 EPROM from a Strikes and Spares!
This also applies to the 16 bit masked ROMs too. That is,
9316 masked ROMs, 8316 masked ROMs, and 8516 masked ROMs all use
the same jumper settings. But again a U2 9316 ROM from a Kiss game is NOT
interchangable with a U2 8316 ROM from a Strikes and Spares!
Freedom and Night Rider ROM Information.
These two games used a strange set of ROMs at U1 and U2.
These are 74S474 or 7461 (512 byte) ROMs at U1 and U2, and a
9316 or 2716 (2K byte) at U6. The Williams tech web site at
www.pinball.com
states that a U1 2716 EPROM and a U6 2716 EPROM can be used for these two games
(and provides the ROM files for download, and the jumper settings for the -35 MPU board,
which are shown above).
Note I have also tested
both games with 2732 EPROMs at U2 and U6 on a converted -17 and -35 MPU boards (as
documented above). This does in fact work fine for both Freedom and Night Rider.
E13, E15 Mistaken Jumper Locations.
There are two jumper pads near the lower right hand corner of
the U2 ROM socket labeled "E13" and "E15". There are also two
vias (plated through holes) just a little bit further to the right,
which are actually closer to the "E13" and "E15" labels. The
vias are completely unrelated to the labeled jumper pads.
Be careful when using these jumpers that you don't confuse
the vias with the jumper pads. They are both round plated through
holes, but the jumper pads are a bit bigger.
3e. When things don't work: -17 MPU Game ROMs, EPROMs, and
Jumpers (and Stern M-100).
Important: Before you Change any Jumpers!!
It is EXTREMELY important that you have a working MPU board
before you change any jumper locations! If the MPU board
currently has ROMs in it, get it working first before playing
with the jumpers. If the MPU board is jumpered incorrectly
for the game ROMs installed, the diagnostic LED light will stay
on, and the board will not power-up. So it is absolutely important
that the jumpers are correct for the ROMs installed. Get the
MPU board working first before proceeding. If the ROMs are suspect
as bad, and the MPU board is
set up for 9316 ROMs (most -17 boards are), see the section below,
"Making an Adapter to use Two 2716 EPROMs in an Unmodified -17 MPU board that
is Jumpered for 9316 ROMs". This will allow the use of two new 2716 EPROMs
to replace the failed 9316 ROMs, without any MPU board modifications or
new jumper settings.
Also of course, make sure the board being worked on is a AS-2518-17 MPU.
The easiest way to tell (besides looking at the silkscreened part number on
the board!) is to examine connector J5. On a -17 MPU
MPU board, this connector will have 32 pins (including the removed "key" pin).
Bad -17 MPU Board Sockets (Brown/Scanbe/RS sockets).
If your -17 MPU board is using tan/brown sockets, or socket
that have "SCANBE" or "RS" impressed on them, it is
advised you change the sockets. These older sockets are
very troublesome and cause many intermittent problems.
A quick alternative to replacement is to plug a machine
pin socket into the brown socket. This is a temporary fix,
but should work well enough until you can get the board
working, and later replace the sockets).
Jumpers used on the Early -17 MPU (and Stern M-100).
The 1977 to 1979 Bally -17 MPU boards aren't as
versatile as the newer -35 boards. They have limited
ROM space, which means they can't be used in the
newer 1979 to 1985 games. This can all be rectified,
but will require some cutting and jumping of traces
on the -17 MPU board.
There are only a few jumper choices on the -17 MPU
board. The following jumpers only apply for the early
1977 to 1979 Bally -17 MPU board. Note the configuration
that uses a U1 ROM only existed for the first two Bally
games, Freedom and Night Rider.
|
Bally -17 and Stern M-100 MPU Jumpers
|
U1 ROM |
U2 ROM |
U6 ROM |
MPU Board Jumpers in numeric order |
More Stuff |
| 2716 |
|
2716 |
See below |
Used only on Freedom/Night Rider.
(2716 ROM files from WMS site)
|
74S474 (or 7461) |
74S474 (or 7461) |
2716/9316 |
Unknown |
Used only on Freedom/Night Rider. |
| |
9316 |
9316 |
1-2, 3-4, 6-7, 8-10 |
Most games shipped with this configuration. |
| |
2716 |
9316 |
1-2, 3-4, 6-7, 8-10 |
must also cut and jumper (see
below) |
| |
2716 |
2716 |
1-2, 3-4, 6-7, 8-10 |
must also cut and jumper (see
below) |
| |
2732 |
None |
6-7, 8-10 |
must also cut and jumper (see
below) |
| |
2732 |
2732 |
1-2, 3-5, 6-7, 8-10 |
must also cut and jumper (see
below) |
Stuff to remember:
- Bally uses a preceding "E" on all jumper numbers. Yes, the "E" has
been left out above to save some space in the chart.
- The "dash" between the numbers is the "jump". That is, "1-4" means
a jumper from E1 to E4.
- Remove any jumpers not shown above for a given configuration. If
it's not mentioned above for your ROM set up, you don't need that jumper!
- You must know the ROM device type installed at each ROM location.
The Bally part number (often printed on the ROM) does not help.
- BLACK masked ROMs, as used in many Bally games, are entirely
black and usually have some white part numbers printed on them. These are
known as 9316 masked ROMs (though Freedom and Night Rider can also use
74S474 or 7461 masked ROMs).
- EPROMs, on the other hand, have a small clear "window" on their top, often
with a sticker over the window. The sticker is there for a reason; it prevents
UV light from entering the EPROM's clear window (this is how an EPROM is
erased! so keep the sticker on the window). EPROMs are labeled
as to their size (i.e. "2716").
- ROMs and EPROMs are game specific. Each game has its own custom set of
ROM computer code, stored on that game's ROMs (or EPROMs).
- Some EPROM part numbers are interchangable. For example, 2532=9332=8332.
But a U2 2532 EPROM from a Kiss game is NOT interchangable with a
U2 9332 EPROM from a Strikes and Spares!
2716 in U2, 9316 in U6 on a Bally -17 or Stern M-100 MPU board.
In addition to the jumpers listed above (1-2, 3-4, 6-7, 8-10), you
must also make the following cuts and jumps to use this
configuration.
- On the componet side of the -17 board, cut the trace from U2 pin 18 to
U3 pin 18. Best place to do this is where the trace passes between
sockets U2 and U3. Use your DMM set to continuity to help figure out
the trace to cut.
- On the solder side of the -17 board, run a jumper from U2 pin 18
to U17 pin 11.
- On the solder side of the -17 board, cut the trace going to U2 pin 21.
- On the solder side of the -17 board, run a jumper from U2 pin 21 to
U2 pin 24.
2716 in U2, 2716 in U6 on a Bally -17 or Stern M-100 MPU board.
In addition to the jumpers listed above (1-2, 3-4, 6-7, 8-10), you
must also make the following cuts and jumps to use this
configuration.
- Make sure jumpers E1-E2, E3-E4, E6-E7, and E8-E10 are in place.
- On the solder side of the -17 board, cut the trace leading to U18 pin 4.
- On the solder side of the -17 board, connect U18 pin 5 to the trace
you cut above from pin U18 pin 4. It's easiest to run the wire from U18 pin 5
to the via ("trace thru dot") that connects to this trace.
- On the solder side of the -17 board, cut the trace leading to U2 pin 21.
- On the solder side of the -17 board, cut the trace leading to U6 pin 21.
- On the solder side of the -17 board, run a jumper from U2 pin 21 to
U2 pin 24.
- On the solder side of the -17 board, run a jumper from U6 pin 21 to
U6 pin 24.
When using 2716's at U2/U6 or a single 2732 at U2, you need to make
this modification at chip U18: cut the trace going to pin 4, and connect
pin 5 to the cutaway trace's via ("trace thru dot").
|
|
Single 2732 U2 on a Bally -17 or Stern M-100 MPU board.
This modification combines the two original 9316 ROMs at U2 and U6 into
one single 2732 EPROM at location U2. This works
only for the early 1977 to 1979 games.
To combine the original 9316 (or 2716) U2 and U6 ROM computer files into a
single 2732 U2 ROM file, use this DOS command:
COPY /B U2ROM.716 + U6ROM.716 U2COMBO.732
Make sure you use the "/B" option in the copy command, as shown above.
This binary copy command will combine the two files
into one.
In addition to the jumpers listed above (6-7, 8-10), you
must also make the following cuts and jumps to use this
configuration.
- Make sure jumpers E6-E7 and E8-E10 are in place.
- Remove any jumpers at E3-E4, and E1-E2.
- On the solder side of the -17 board, find U18 pin 4. Follow this trace
to the via ("trace thru dot"). Cut the trace near the via.
- On the soider side of the -17 board, run a jumper from the via ("trace
thru dot") that was seen above to U18 pin 5. It's easiest to run the wire from U18 pin 5
to the via ("trace thru dot") that connects to this trace.
This connects U18 pin 5 to U2 pin 18.
- On the componet side of the -17 board, find U2 pin 13 (top right
hand corner). Slightly higher and to the right is a via ("trace thru dot") with
a trace going straight down. Cut this trace to separate the via from this trace.
- On the component side of the -17 board, run a jumper from the
above via ("trace thru dot") to jumper pad E4. This connects jumper pad E4 to
U2 pin 21.
- On the component side of the -17 board, notice the large GND trace
that runs to the right of the ROM sockets. To the right of the U2 ROM
socket, scrape the green solder mask from this large GND trace and jump
a wire from this GND trace to the jumper pad E3. This connects U2 pin 20
to ground.
Converting a Bally -17 or Stern M-100 to a Bally -35 MPU, using a 2732 in U2 and
2732 in U6.
This modification allows a Bally -17 or Stern M-100 MPU board to be used on any
Bally game up to 1985. It doubles the amount of ROM space the
older MPU board can use, and essentially makes a Bally -17 or Stern M-100 MPU
board a Bally -35 MPU board. Note you can not use a -35 Bally board in
a Stern games requiring a M-200 MPU (these boards have two 5101 RAMs instead
of one as used on a Bally -35 MPU).
In addition to the jumpers listed above (1-2, 3-5, 6-7, 8-10), you
must also make the following cuts and jumps to use this
configuration.
- Make sure jumpers E1-E2, E3-E5, E6-E7, and E8-E10 are in place.
- Double check jumper E3 connects to E5.
- On the solder side of the -17 board, cut the trace that runs
to U2 pin 21.
- On the component side of the -17 board, cut the trace that runs
to U2 pin 18. Best place to do this is where the trace passes between
sockets U2 and U3. Use your DMM set to continuity to help figure out
the trace to cut.
- On the solder side of the -17 board, jump a wire from U2 pin 18
to U2 pin 12.
- On the soider side of the -17 board, jump a wire from U2 pin 21
to U9 (CPU) pin 24.
- On the solder side of the -17 board, cut the trace that runs
to U6 pin 21.
- On the component side of the -17 board, cut the trace that runs
to U6 pin 18. Best place to do this is where the trace passes between
sockets U6 and U5. Use your DMM set to continuity to help figure out
the trace to cut.
- On the solder side of the -17 board, jump a wire from U6 pin 18 to U6 pin 12.
- On the solder side of the -17 board, jump a wire from U6 pin 21 to U2 pin 21
(this connects both U2 and U6 pins 21 to U9 pin 24).
- On the solder side of the -17 board, cut the trace that runs to U17 pin 2.
- On the solder side of the -17 board, cut the trace that runs to U18 pin 4.
- On the solder side of the -17 board, jump a wire U17 pin 2 to
U18 pin 4.
Making an Adapter to use Two 2716 EPROMs in an Unmodified -17 MPU board that
is Jumpered for 9316 ROMs.
This is a great adapter to have around when working on a -17 board that
you don't want to modify. It will allow you to use a pair of 2716
EPROMs on a stock, unmodified -17 MPU board. This allows testing of
the board without making any cuts or jumps.
Basically it takes four good quality (machine pin) 24 pin sockets, and sandwiches
two of them together. There are a couple pins that need to be cut, and a couple
jumper wires added (see the diagram below):
- On two of the 24 pin sockets, jump pins 21 and 24 together with some wire.
- On the two sockets you modified above, solder a four inch wire to pin 18. Then
solder the sockets' pin 18 wires together, and attach a test clip
to this wire too.
- On the two sockets you modified above, cut pins 18 and 21 short so they won't plug into
anything.
- Plug the two modified sockets into the other two unmodified sockets. Make
sure pins 18 and 21 do not contact the unmodified sockets. To be double
sure this happens, you can cut pins 18 and 21 off the bottom sockets too.
- Plug the 2716 EPROMs for U2 and U6 into the two modified sockets.
- Plug the sandwiched sockets and EPROMs into the MPU board at positions U2 and U6.
- Connect the test lead coming off pin 18 of the two modified sockets to
the right side of R14 (the side nearest the ROM sockets).
Freedom and Night Rider ROMs and Jumper Notes.
These two games used a strange set of ROMs at U1 and U2.
These are 74S474 or 7461 (512 byte) ROMs at U1 and U2, and a
9316 or 2716 (2K byte) at U6. The Williams tech web site at
www.pinball.com
states that a U1 2716 EPROM and a U6 2716 EPROM can be used for these two games
(and provides the ROM files for download, and the jumper settings for the -35 MPU board).
If using a -17 MPU with a U1 2716 EPROM and U6 2716 EPROM, there are some other cuts and jumps required:
- Cut the trace from U1 pin 18 to U2 pin 18.
- Cut the trace from U1 pin 21 to jumper pad E7.
- Connect U1 pin 21 to U1 pin 24.
- Connect U1 pin 18 to U17 pin 11.
- Connect U1 pin 22 to U2 pin 22.
Note I have tested
both games with 2732 EPROMs at U2 and U6 on a converted -17 MPU board (as
documented above). This does in fact work fine for both Freedom and Night Rider.
Bally's chart for ROMs in a -17 MPU board (U1,U2,U6 are all 9316 ROMs).
|
|
3f. When things don't work: Stern M-200 MPU Jumpers
(using a Stern M-200 in a Bally Game).
The Stern M-200 Board: The Universal Soldier.
Having a Stern M-200 MPU jumpered for 2732 EPROMs is like having a
universal soldier. This MPU board, with the correct EPROMs installed,
will work in any Bally or Stern game from 1977 to 1985. Having it
jumpered for "universal" 2732 EPROMs is the trick. For example,
all the Bally game ROM code have been converted to this format
(click here to download all the ROM files).
As discussed above, using the original 9316 (or 2716) U2 and U6 ROM files can be
combined into a single 2732 U2 ROM file, using this DOS command:
COPY /B U2ROM.716 + U6ROM.716 U2COMBO.732
Make sure you use the "/B" option in the copy command, as shown above. This binary
copy command will combine the two files into one.
If a Stern game uses four 9316 or 2716 ROMs at U1/U2/U5/U6, these can easily be converted
to two 2732 EPROMs at U2/U6 using the above copy command.
Keep in mind the Stern M-200 MPU
uses a second 5101 RAM on this board (which is ignored by the Bally firmware).
Because of this extra RAM, Stern games 1980 and later will only work with a
Stern M-200 MPU (you can't put a Bally MPU in). The earlier Stern M-100 or
Bally -17 or -35 MPU will not work in these later Stern games. So even though
you can put a M-200 in a Bally game, it is a waste (to Stern collectors!),
because the supply of M-200 MPU's is pretty low compared to Bally -17, -35 and -133
MPU's, which will work in any Bally game.
The Clock Speed Jumpers.
If you are using the newer Stern M-200 MPU in any Bally game or
older Stern game (that originally had a M-100 MPU), you may need to
remove two jumpers. These two jumpers are E32-E33 and E34-E35.
Removing these two jumpers will lower the clock speed of the M-200 to run in the Bally
or older Stern games. Frankly, leaving the faster clock speed (leaving E32-E33 and E34-E35 in place)
is usually fine on Bally games.
When using the Stern M-200 in a Bally game, the start-up reset sequence may run
faster (especially if jumpers 32-33 and 34-35 are left in place).
Also the extra 5101 RAM at U13 is not needed for the Bally games and may be removed
(the Bally ROM software does not use this chip).
|
Stern M-200 MPU Jumpers
|
U1 ROM |
U2 ROM |
U5 ROM |
U6 ROM |
MPU Jumpers in numeric order |
| None |
2732 |
None |
2732
| 1-2, 4-5, 13-15, 24-25, 16-18, 32-33, 34-35 |
| 2716 |
2716 |
2716 |
2716 |
2-3,5-7,9-10,13-14,16-18,19-21,23-25,27-28,29-30,32-33,34-35 |
| None |
2716 |
None |
2716 |
2-3, 5-7, 13-14, 16-18,
23-25, 32-33, 34-35 |
| 9316 |
9316 |
9316 |
9316 |
1-5,2-6,8-9,12-13,16-18,19-20,22-25,26-28,29-31,32-33,34-35 |
Stern M-200 and the 5101 RAM chips (boot up problems).
The Stern M-200 MPU board uses two 5101 RAM chips (instead of just one
like Bally and Stern M-100 MPU boards). When buying 5101 chips, the standard
speed rating on this chips is 300 ns. This works fine for Bally and M-100 MPU's,
but the Stern M-200 (which runs at a higher clock speed) requires
a faster 5101 RAM chip, at 100 ns. The faster 100 ns chip is labeled
as 5101-1, and the slower 300 ns chip is labeled as 5101-3. If you
use the slower 5101-3 RAM chip in a Stern M-200 MPU board, the board
may not boot up correctly; you can get the seventh LED flash, but the
game just doesn't work right. Often this can be indicated by the game audits
and high scores, where a number (like '74') is continually repeated in
all the audits or high scores. Remember, if using a M-200 MPU in a Bally
game, the second 5101 RAM at U13 can be removed
(the Bally ROM software does not use this chip).
3g. When things don't work: Converting a -133 MPU
(Baby Pacman) to a -35 MPU
In 1982 Bally changed their -35 MPU board very slightly to work in the
combination pinball/video games Baby Pacman and Granny and the Gators.
If you want to use this MPU in other pinball games, you need to convert
it to a -35 MPU.
Converting the Baby Pacman -133 MPU is very easy do.
Just replace the 1N4148 diode at CR52
with a 2k 1/4 watt resistor. This was the only change made.
This diode is on the lower left corner of the
MPU board, next to connect J4. On the original
-35 MPU, this resistor is labeled R113, not CR52.
Links: a Baby Pacman -133 board that
was converted to a -35 board. Note
the 2k resistor installed in place
of "CR52".
|
 |
You may also need to re-jump the board for
the ROMs you will be using (typically Baby Pacman came with a 2732 U2 EPROM,
and a 2532 U6 EPROM).
Converting a -35 MPU to a -133 MPU for use in Baby Pacman.
If you have a pinball -35 MPU that you want to put into a Baby
Pacman game, this of course is easy too. Just remove the 2k resistor R113
and replace it with a 1N4148 or 1N914 diode. The non-banded side of the diode
connectors to the J4 header pin 15 (diode band goes towards capacitor C1).
3h. When things don't work: the Built-in Diagnostics/Bookkeeping.
If you game "boots" correctly and goes into attract mode, you can use the
built-in diagnostics for the game. This is done by pressing the red
test switch mounted inside the coin door. Here's what happens each time
the test button is pressed:
The red self-test diagnostic button inside the coin door.
|
|
- The first test is for all switched feature lamps;
they will flash off and on continuously.
You can check for burnt bulbs, lights that are never on,
or lights that are always on (lamp driver board problems).
- The second test is for the score displays.
Each digit on each score display will cycle from 0 to 9, and repeat
continuously. Broken diplays will have digits or segments always on
or always off.
- The third test is the solenoid test.
Each solenoid will be energized, one at a time, in a continous
sequence. Holding both flipper buttons "in" during this test will
display the solenoid number being tested on the score display.
Correct operation is indicated by the sound
of a coil pulling in as its number appears on the display.
If a coil makes no sound, note the coil number on the display and
check out that coil. The game manual will tell you which coil the
solenoid number correspond to.
- The fourth button push is the sound card test (only on games
equipped with one, Lost World and later; "chime" games do not have
this test). A tune will be played repeatedly.
Improper operation (no sound or distorted sound) can easily be heard.
- The last test is the switch test. The MPU will search each switch
for stuck contacts. If any are found, the switch number of the first
stuck switch is flashed on the score display. Additional switches will
be flashed until the last stuck switch is found. The last switch number
will remain until the fault is cleared. Then the previous stuck switch is
displayed. If no stuck switches are found, the number zero appears
in the Match/Ball in Play display.
- After the diagnostic test, the game will go into bookkeeping and
adjustments mode. Each press of the red button will display a bookkeeping
ID number, and the its value. Refer to your game manual
for a description of each ID number. Note some 1982 and later Bally
games also have some game adjustments available in addition to
the bookkeeping. Again, see your game manual.
To exit the test mode, turn the game off and then back on.
3i. When things don't work: Locked-on or Not Working Coils
(Solenoid Driver board).
If a coil is locked on (Burning! Turn the game off!)
or doesn't work, there are several tests
you can perform to isolate the problem. But first you should know
the sequence of events in energizing a coil:
- The MPU is told (by a playfield switch or other trigger) to
fire a coil.
- The MPU turns on, for just a moment, a solenoid transistor on
the solenoid driver board. This completes
the power path to ground for the particular coil.
- The coil fires.
There are a series of steps you should take when a coil is not
working properely, which we will outline below.
If a Coil is Locked On.
Generally, this is caused by a solenoid driver transistor that is
shorted on. If a coil is locked on, turn the game off immediately
(otherwise you'll be replacing more than a bad transistor!).
Then follow these steps:
- Check the manual's schematics to figure out which transistor
controls the coil in question. This information is on the Solenoid
Driver/Voltage Regulator schematic page.
- Look at the connector in the center of the schematic. There the
coil name/description will be listed.
- Follow this line back to the first "Q" (transistor) that
intersects this line. Write down the transistor number (for example,
"Q13"). Also write down the diode number behind it ("CR13"), and the chip
number that drives this transistor ("U3"), and the pins of the chip (pins 11, 12).
Also note the pin number that connects to the diode (pin 12).
All these components could be damaged (but generally it's just the transistor).
Now that you know the transistor in question, you can test it.
Other Coil Diagnosing Techniques.
Another technique is to remove the solenoid connectors
from the solenoid driver board to the playfield. These connectors are
on the left side of the solenoid driver board, and the one connector at
the bottom right of the board too.
To help find the playfield coil that is troublesome,
replace the connectors one at a time on the solenoid driver board (with the game off), and reboot
the game. This will help issolate the bad coil.
Another thing to try: If fuse F4 blows, there is either
a problem with the backbox knocker, or the cabinet coin door lockout
coil, the solenoid bridge rectifier (on the rectifier board), or the rectifier board's varister.
Also try removing connectors J1 and J3 from the rectifier board
(this moves the solenoid power back a step further, not allowing it to get any further
than the rectifier board).
Replace fuse F4 on the solenoid driver board, and turn the game on. If the fuse still blows,
the solenoid bridge rectifier (on the rectifier board) or the rectifier board's varister
is probably at fault.
Finally, disconnect a wire on each solenoid, and re-attach each wire,
one at a time, until the F4 fuse blows. At this point it could be the coil, coil diode,
or coil driver transistor at fault.
Testing the Solenoid board Transistors, Game Off.
The transistors on the solenoid driver board are very easy to test.
This is done with the game off. You can remove the solenoid driver board,
or leave it installed in the game. Using your
DMM set to the "diode" setting, do the following:
- Turn the game off.
- On the component side of the board, put the black lead of your
meter on the metal tab of a driver transistor.
- Put the red lead of your meter on the center lead of a transistor.
Your meter should read zero.
- Put the red lead of your meter on either outside lead of a transistor.
Your meter should read in the .3 to .6 volt range.
- Put the red lead of your meter on the other outside lead of the
transistor. Your meter should again read in the .3 to .6 volt range.
If your meter reads anything outside the .3 to .6 range, replace
that transistor.
Testing a solenoid driver board transistor. The black lead of
the DMM is on the transistor's metal tab. The red lead is put
on either outside lead, one at a time. The meter should read
in the .4 to .6 range.
|
|
Testing a Solenoid board Transistor, Game On.
If a coil is not locked on, you can test it's solenoid driver
board transistor with the game on and in "attract" mode.
- Attach an alligator wire and clip to ground in the
backbox.
- Momentarily touch the other end of the alligator clip
to the metal tab on a solenoid driver board transistor.
- The coil that is driven by that transistor should fire.
- Optionally, you can also momentarily touch your ground wire to
the solenoid board "U" chip; the pin that does NOT connect
to the diode. This will also fire the coil.
If the coil doesn't fire, and the transistor tested
properely in the above steps "Testing the Solenoid board Transistors,
Game Off", you have either a blown playfield fuse or a
broken wire/connector.
To test for a broken solenoid wire or connector pin, do this:
- Turn the game off.
- Put an alligator clip on the coil lug that the NON-banded
side of the diode connects to.
- Connect the other end of the alligator clip to one of
the test leads on your DMM.
- Set your DMM to continuity ohms setting.
- Refer to the manual and find the "J" connector number and
pin number that the solenoid in question connects to on the solenoid driver board.
- Touch the other lead of your DMM to this "J" connector
pin on the solenoid driver board.
You should get about 0 ohms. Note if you are testing to the
wrong conector pin, you will get about 30 ohms.
Driver Transistor Tested Good, but Coil is still Locked On.
The driver transistor may be OK, but the 1N4004 diode behind it could be
bad. Since we wrote down the diode that is behind the driver
transistor (in the above steps), refer to that to get the
diode number. Here's how to test it:
- Turn the game off.
- Remove the Solenoid driver board from the game.
- Put your DMM on diode setting.
- On the component side of the board, put the DMM leads on
the 1N4004 diode. You should get a reading of .4 to .6 volts.
- Reverse the leads, and you should get
the same reading you got in the previous step.
- BEST METHOD: remove one lead of the diode from
the driver board, and retest. In one direction you
should get a zero (null) reading.
If you get any other value, replace the 1N4004 diode.
Test the pre-driver CA3081 transistor chip. The picture on the left is testing
the transistor pin that connects to the diode.
|
|
Now we need to test the chip that drives the diode
and driver transistor. This chip is a CA3081 (NTE916)
transistor array. Basically it's several transistors
packaged in a chip format. This is known as the "pre-driver
transistor pack". You can test this too:
- Turn the game off.
- Remove the Solenoid driver board from the game.
- Put your DMM on diode setting.
- On the component side of the board, put the
black lead of your DMM on the GND test
point just to the left of the U1 chip.
- Put the red lead of your DMM on the two pins of the pre-driver
chip (one at a time) that you noted above.
- For the pin that connects to the 1N4004 CR diode,
you should get a reading of .1 to .2 volts.
- For the other pin, you should get a reading of .7 to .8 volts.
- Reverse the DMM leads (red lead now on GND). You
will get the same .1 to .2 volt reading for the pin that connects to the
CR diode. The other pin will read 1.1 to 1.3 volts. Note this test
is far less conclusive than the first test with the black lead on GND.
If you get any other meter readings, replace the pre-driver CA3081 (NTE916) chip.
Replace the Coil Diode.
If you had ANY problems with a coil being locked on,
ALWAYS replace the coil diode. This diode prevents a
"backlash" of current going to the solenoid driver
board when the magnetic coil is shut off. This
diode is easily damaged and can cause damage to your
solenoid driver board if bad. Always make sure you
install the new diode with the diode band on the "power" lug
of the coil. The power lug is usually the lug with
two wires going to it (because the power is daisy chained
from coil to coil).
Testing for Power at the Coil.
If a coil doesn't work, and the transistor is good,
test for power at the coil. Do this with the game on
and in attract mode, and the playfield lifted.
- Put your DMM on DC voltage (100 volt range).
- Put the black lead on the metal side rail (ground)
of the game.
- Put the red lead on either terminal of the coil.
It should read about 43 volts. On flipper coils, any
of the three terminals should also read about 43 volts.
If you are missing voltage at the coil, check for a
broken wire/connector, or blown playfield fuse (see below).
Remember the power wires are "daisy changed" together. So a
break in the power wire in a previous coil will cause the coils
further down the line to not work.
Testing a Coil.
You can also test a coil for proper operation. With the
game on and in attract mode, and the playfield lifted,
try this:
- Connect one end of a alligator clip and wire to the
metal side rail of the game.
- Momentarily touch the other end of the alligator clip
to the coil's terminal with the non-banded side of the diode connected
to it.
- The coil should fire.
Note if you accidentally touch the
banded side of the diode to ground, you will probably
blow a fuse.
If the coil doesn't fire, you have a damaged coil or
no power at the coil. Look for a broken wire going to
the coil's terminal. You can also test the resistance
of a coil. A good coil should be in the 3 to 15 ohm range.
The Over-Looked Under-Playfield Solenoid Fuse.
Often your Bally game will boot fine and start a game. The flippers
work, but no other solenoids on the playfield work. This can often
be caused by a blown under-the-playfield solenoid fuse.
If you run the solenoid diagnostic test and the coin lock-out coils,
the flipper relay, and the knocker all work, and nothing else works,
a dead under the playfield fuse could be the problem. Since the game boots OK, we know
the +43 volt fuse on the rectifier board is OK (if this fuse was
blown the MPU board won't "flash" the seventh time).
The under the playfield solenoid fuse is usually located on the
right hand side by the flippers. Usually it's a 1 amp slo-blo fuse.
If this fuse keeps blowing, you have a solenoid problem on the
playfield somewhere. This can be caused by a shorted coil, a bad
coil diode, or a broken (and shorted) coil wire. A shorted and locked
on driver transistor is probably NOT your problem.
If the playfield fuse keeps blowing, there is another procedure
you can try to isolate the problem as a last resort. Turn the
game off and disconnect the "pull down" wire from EVERY coil
under the playfield. The pull down wire is the single wire on
each coil, and connects to the NON-banded side of the coil's diode
(the power side connects to the banded side of the diode's coil lug).
Then power the game on (the fuse should not blow!).
Now re-connect each wire to its respective coil. When the fuse
blows, you've found your problem coil/diode.
Coil TroubleShooting - More Ideas.
Here's some other ideas on coil problems.
No Coils Work.
- Check TP5 on the power supply for 43 volts. If no voltage,
check fuse F4 on the power supply.
- Check solenoid driver board for +5 volts at TP3 on the
driver board. If no voltage here, check for a broken jumper
on connector J3 from pin 13 to pin 25.
Only the flippers work.
- Check 1 amp slow blow fuse underneath the playfield.
- Check for a broken wire from the above fuse. There
should be a brown wire going from the under the playfield
1 amp fuse to the flipper coil.
Flippers work and just some coils.
- Under the playfield, check for a broken yellow wire
from coil to coil. This is the coil power wire, and it
daisy chains from one coil to another. A break in this wire will
stop power from getting to coils "down stream".
- A problem with the connection between connectors J4 of the MPU
board and J4 of the solenoid driver board. If one line is missing, coils 1 to 4 will not work.
Power supply board coil power distribution.
- J1 pin 6 = brown wire to flipper coils.
- J1 pin 9 = to solenoid driver board J3 pin 5 (flipper relay).
- J2 pin 2 = to chime unit (in early games) or knocker coil (in
later games), and coin lockout coils in all games.
- J2 pin 13 = to backbox knocker on early games.
- J3 pin 12 = to MPU board connector J4 pin 15.
3j. When things don't work: Locked-On or Not Working
Feature Lights (lamp driver board)
Bally's lamp driver and auxiliary lamp driver boards stayed pretty
consistant from 1977 until 1989 (when Bally produced its last game,
before being taken over by Williams). These procedures should work
on all Bally lamp driver boards from their inception until their
end in 1989.
If a feature light is continually on, or is never on, you can test
the lamp driver board for a component problem.
Assuming the wiring is intact, chances are good that the
lamp's driving component(s) are bad. This is especially true if
a lamp is always on. The internals to the driving components
have probably shorted on, leaving the lamp continually on.
All Bally electronic pinball games until Williams bought them
out in 1989 used SCR's (Silicon Controlled Rectifiers) to drive
feature lamps. SCR's are different than transistors. Instead
of a collector, base and emitter like a transistor, they have a cathode, anode
and a gate (abbreviated C, A, G respectively, though sometimes the "C" is
abbrevated as "K").
Each gate is driven by a CD4514 CMOS decoder output. All
SCR cathodes are connected to the feature lamp ground.
Each SCR anode is connected to a unique feature lamp.
There are two different SCR's used for lights on the
lamp driver board: the larger MCR106-1, and the smaller
2N5060. They serve the same function, just the larger MCR106-1
can handle more current (and sometimes lights two lamps, while
the smaller 2N5060 can only light one lamp). There is also
a CD4514 CMOS decoder that drives the lamps. Sometimes these
go bad too.
Bally does not use a lamp matrix to drive the feature lamps.
There is a separate SCR that drives each feature
lamp.
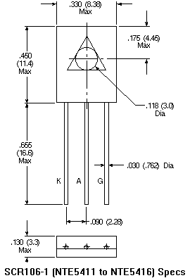
Specs for the two styles of SCRs used in Bally games.
Left: the SCR106-1. Right: the 2N5060.
|
|
Nieuw thyristoren kun je gewoon bij de Flipperwinkel kopen.
Testing the Lamp Driver SCR's, game On.
If a lamp is permanently stuck on, this procedure won't
tell you anything. A lamp that is always on is generally caused
because its SCR has internally shorted. Replace the SCR.
The Bally red test switch, just inside the game's coin door.
|
|
Assuming the game powers on, you can test a non-working
lamp's SCR's to see if it's working (this assumes you have checked the bulb, the lamp
socket, and the wiring to the lamp socket).
- While the game is on and in
"attract" mode, press the Self-Test button inside
the coin door ONCE. This should put the game into
the "Flash All Feature Lamps" test (check your game
manual if it does not).
- Note which feature lamps are NOT working. Write
them down. You will need this information if several lamps
that connect to the same decoder don't work.
A decoder has likely failed if 4, 8 or 12 lamps (multiples of 4)
are not working.
- Check the manual's schematics to figure out which SCR
controls the lamp(s) in question. This information is on the Lamp
Driver schematic page.
- Look at the connectors at the right of the schematic. There the
lamp name/descriptions will be listed.
- Follow this line back to the first "Q" (SCR) that
intersects this line. Note the SCR number (for example,
"Q8"). If the schematic lists a "**" next to the SCR,
this means it's a MCR106-1. Otherwise it's a 2N5060.
Also note the chip that drives this SCR ("U1"). Both these components could
be damaged (but generally it's just the SCR).
- Write down the "Q" number and the lamp name on
some paper. Also write down the
driving decoder "U" chip number.
- If 4, 8 or 12 lamps that all connect to a single decoder
don't work, suspect the decoder "U" chip as faulty.
- Press the game's test switch again to take the game out
of lamp test mode. The display test will probaby come up.
Leave the game here, as all the playfield lamps should
now be turned off.
- Connect an alligator test lead wire to ground. The bare
braided wire in the bottom of the back box works well for this.
- Touch the other end of the test lead to the ANODE of the
SCR in question. On the large SCR, the metal tab is the anode.
On the smaller SCR, it's the lower right leg. To make sure,
the pinout for the small SCR's is silk screened on the board
for a few selected SCR's. You are looking for the lead marked "A".
- If the lamp does NOT light when the anode is grounded, the
problem is NOT on the lamp driver board. Most likely you have
a wiring problem, a bad lamp socket, or a bad bulb.
- If the lamp DOES light when the anode is grounded,
the problem probably lies with the SCR. Replace it and
see if that fixes the problem. If not, suspect the "U"
decoder chip that drives that lamp.
Testing the Lamp Driver SCR's, game Off.
You can also check the lamp driver board's SCR's using your
DMM, set to the diode setting.
Testing the large MCR106-1 lamp driver SCR.
|
|
2N5060 Lamp Driver SCR test:
- Put the black lead of your meter on the "cathode" leg
(labeled "C") of the SCR.
- Put the red lead of your meter on the center "gate" leg
(labeled "G") of the SCR. Your meter should read .4 to .6 volts.
- Swap the meter leads. Now the meter should read 1.4 to 1.6 volts.
If your meter reads anything outside the values above, replace
that 2N5060.
Testing the small 2N5060 lamp driver SCR.
|

|
3k. When things don't work: Solenoid Expander board Problems.
Starting with Eight Ball Deluxe, Bally started designing games that
had more solenoids than transistors to drive them on the solenoid driver
board. To allow more coils to be used in the game, Bally came up with
a "Solenoid Expander Board". This board is a solenoid multiplexer;
it allows a single transistor on the solenoid driver
board to drive two different devices, instead of just one.
The solenoid expander board's main component is a relay. This relay
connects to four different coils. When the relay is pulled in,
two of the four coils can be activated by the solenoid driver
board's transistors. When the relay is at rest,
the other two of the four coils can be activated by the solenoid driver
board's transistors.
The real trick to the solenoid expander board is how its
relay is pulled in. A relay is basically a solenoid with switches.
To activate a solenoid you normally use a transistor on the
solenoid driver board. But wait! We're trying
to SAVE transistors on solenoid driver board because we're running
out of them to drive all the coils on the game.
So instead of using a solenoid driver board transistor to activate
the solenoid expander board's relay, a LAMP driver SCR (silicon
controlled rectifier) is used on the lamp driver board! This
allows the lamp driver board to control which two of the four
coils can be controlled by the solenoid driver board's transistor.
The solenoid expander board and its
accompanying 555 lamp.
|
|
Another way to look at it is this: think of two transistors on
the solenoid driver board, say transistors 11 and 12. These normally
control two coils (call them coils 11 and 12). But now transistors
11 and 12 control FOUR coils (coils 11a, 11b, 12a, 12b). When
the lamp driver board's SCR activates and pulls in the solenoid expander board's
relay, the solenoid driver transistors 11 and 12 control
coils 11b and 12b. When the lamp driver board and solenoid expander
board's relay are at rest, the solenoid driver transistors 11
and 12 control coils 11a and 12a. Note all four coils can not
be activated at the same time.
It's also important to note that the solenoid expander board usually
controls little used coils. Stuff like the outhole kicker or
drop target reset coils. These coils are used far less than say
slingshot or pop bumper coils. So if your outhole kicker solenoid
is acting up, the expander board may be the cause.
The Solenoid Expander Board's Partner.
The other strange thing about the solenoid expander board
is its partner; a lamp! The solenoid expander board is
located under the playfield, and right next to it is
a lamp. This lamp is VERY important, and it must have
a good light bulb installed for the solenoid expander
board to function properely.
The reason for the lamp is this; the solenoid expander
board has a MOC3011 opto-isolator that actually turns
the relay on. However this device doesn't draw enough
current for the SCR on the lamp driver board to activate
it. To solve this problem, an actual lamp is installed
next to the solenoid expander board. This lamp is also
connected to the lamp driver board's SCR. The combination
of this lamp and the solenoid expander board's MOC3011 gives
the lamp driver board's SCR enough current draw for it
to work reliably.
Testing the Solenoid Expander Board.
The easiest way to test the solenoid expander board is
to use the built in feature lamp diagnostics. After
the game is turned on and in attract mode, press the
red test button inside the coin door once. This will
activate the feature lamp test. All the playfield lamps
will turn on and off. The solenoid expander boards
relay should also click on and off. If you lift the
playfield you should see the solenoid expander board's
relay pull in. You should also see the lamp next to the
solenoid expander board turn on and off.
If you heard the relay buzz instead of click on and off, this
means there is a problem. See the list of problems below
to fix this.
Problems with the Soleniod Expander Board.
If the solenoid expander board buzzes in the above test,
this indicates a problem. Also it is important to remember
that every coil that connects to the solenoid expander
board has TWO diodes; one "normal" diode across the
coil lugs, and another diode in series with the power
wire going to the coil! If this diode set up is mis-wired,
a diode is reversed, missing or broken, you will have problems.
Here are some other things to consider too:
- Header pins on the solenoid expander board may have cracked
solder joints. Re-flow these header pin solder joints.
- The lamp under the playfield next to the solenoid expander
board may be burned out. Replace with a new lamp. Without this
lamp, there isn't enough load for the SCR on the lamp driver
board to activate the solenoid expander board's relay.
- The lamp driver board's SCR that controls the solenoid
expander board may have failed. See Locked-On or Not Working
Feature Lights (lamp driver board) section for details on
how to test the SCR.
- The 6.5 volts provided by the power supply's rectifier board
BR1 bridge may be failing. The 6.5 volts DC provided by BR1 powers the feature lamps.
If this voltage is low, the solenoid expander board's relay may
not function correctly.
- The power supply's rectifier board R2 resistor (25 ohms 5 watts)
may be broken or open. Check it with your DMM set to ohms.
- Connector pins on the power supply's rectifier board may be
burned or tarnished. This will create resistance which will
lower the 6.5 volts DC provided to the lamp driver board.
If this voltage is low, the solenoid expander board's relay may
not function correctly.
- Diode on the solenoid expander board's relay may be broken
or missing.
- In-series diode going to the power lug of the coil may be broken, missing
or reversed.
- Diode across the lugs of the coil may be broken, missing or reversed.
- Switch contacts on the solenoid expander board's relay
may be pitted and may need to be filed (or the relay replaced).
- The solenoid expander board's MOC3011 opto-isolator may be
bad. Replacements are available from Jameco (part #95020),
or replace with NTE3047.
Testing the Transistors and Coils Driven by the Solenoid
Expander board.
If the solenoid expander board's relay is working properely,
you can test the devices it controls using this test:
- Check the schematics to see which transistor number
is controlled through the solenoid expander board.
- Turn the game on and let it boot.
- Press the red test switch once to put the game into
diagnostic feature lamp test.
- Using an alligator clip test wire, attach one end to the ground
strap in the backbox.
- Touch the other end of the alligator clip test wire to the
metal tab on the solenoid driver board's transistor you identified
in the first step above.
If you leave the transistor's metal tab grounded while the game is
in the feature lamp diagnostic test, the two coils controlled by
the above transistor should turn off and on with the feature lamps.
3L. When things don't work: Auxiliary Lamp Driver board Problems.
Left: the earlier style AS2518-43
Auxiliary Lamp Driver board.
|
Right: the later style AS2518-52
Auxiliary Lamp Driver board.
|
 |
 |
On Bally games with special backbox lighting (Space Invaders, Xenon, and many
others), Bally used an auxiliary lamp driver board to run these lights.
This saves the lamps on the lamp driver board for use on the playfield.
This auxiliary board isn't much different than the lamp driver board itself. It
used SCR (silicon controlled rectifiers) just like the lamp driver board.
It uses only MCR106-1 devices (no 2N5060 SCR's).
If a lamp is locked on or not working that is controlled by the auxiliary
lamp driver board, the procedure for testing and replacing its SCR on
the auxiliary lamp driver board is the same as the lamp driver board.
Please see lamp driver board section above for more
details.
3m. When things don't work: Switches and the Switch Matrix.
All electronic pinball machines use a technique to read switches called a
"switch matrix". Problems with the switch matrix can be difficult to
diagnose. The matrix consists of eight rows and eight columns. This
makes a checkerboard type pattern with 64 individual switch (or squares).
So instead of 64 wires going to 64 switches, there are only 8+8=16 wires
going to all the switches.
Bally identifies the switches in the switch matrix starting with row zero,
column zero as switch "1". The rest of the switches in column 0 are numbered
2 through 8. If you look at the schematic it can appear some switches are missing. But most
of these "missing" switches are the cabinet switches, which are not shown
on the schematics. This includes the ball roll tilt, the plumb bob tilt,
and some other cabinet switches.
Stuck Switches.
If a switch is stuck, first remove all the balls from the playfield (to
open the trough switches). Also if a switch gets closed as you lift
a playfield up, put a piece of tape between the switch contacts to
prevent closure. This especially happens on spinner targets.
Put the game into its switch test. On games with sound cards (Lost World
and later), this means pressing the red self-test button inside the
coin door FIVE times. For chime games prior to Lost World you only press
the test button four times. Note the switch number shown in the
display. This will be the last switch "bad switch" in the list. Use
your game manual to find the actual playfield location of the switch. Clear
this switch first, then the next "bad switch" will be shown on the display.
Your job isn't over until there are no more switch numbers shown in
the display.
Switch Capacitors - Stuck Switches and Chattering Pop Bumpers.
The most common stuck switch problem relates to the capacitor on
playfield switches. Note all playfield switches have a capacitor,
but most do. Often these capacitors short, leak, or just break off. With the game on
and in switch test, cut one end of the capacitor and see if the number
goes away on the display in switch test. If so, the capacitor will need to be replaced.
If the number doesn't go away, then reconnect the capacitor, as this
wasn't the problem (check the switch diode next, in the same manner).
Note Bally never sent out a service bulletin telling operators to "clip the caps".
Many operators did this though to get their game working.
Bally only suggested clipping the caps to trouble shoot a stuck switch problem.
Bally used really cheap switch capacitors that failed prematurely. This probably
happened because of the high power industrial soldering irons used on the assembly
line. The caps used for the switches were actually made for circuit boards.
As a result the high powered soldering irons on the assembly line
weakened the cap's internal insulation, causing it to
leak (not function reliably). This could result in a stuck switch indication.
The other problem was the capacitors' leads were weakened from the
high powered soldering irons. This caused the caps to break off the playfield
switches.
Chattering pop bumpers is another problem caused by bad switch capacitors.
A failing switch cap across the pop bumper switch is very common (due to
vibration of the bumper), and can cause the switch to "bounce". This will
can make the pop bumper fire more than once. Cut the cap off the pop
bumper, and see if that fixes the problem. But make sure to replace
the capacitor. It is there to help the game detect quick switch closures,
and effectively makes the pop bumpers play better (more sensitive).
The switch capacitors are .05 mfd, 16 volt (or greater), ceramic disc, non-polarized.
Non-Working Switches.
There can be a few reasons for a missing switch in the switch test
diagnostics. If it is only one switch, it could simply be a broken
wire or dirty switch contacts. If it's more than one, it could be
a broken wire at the top of that switch string. Switches are
"daisy chained" together. That is, a row or column wire runs to
the first switch in the series, then continues along to the next.
If the wire is broken, all the switches behind that break can be
affected.
Connectors can also be a problem. All switches run to the MPU board's
J2 connector (upper right hand corner). Connector pins can break, or
the wire inside the connector can break.
Switch Diodes - Stuck and Flakey Switches.
Just as the switch capacitors can fail, so can the switch diodes.
Though not as common a problem, these small diodes can quite often
fail or work intermittently. Unlike the switch capacitor, every
switch must have a diode. If the diode is missing or fails, the
switch will not work correctly.
Switch diodes are 1N4148 (or 1N914), which are known as
fast "switching" diodes. Also a 1N4001 or 1N4004 can be used
in a pinch. And it does matter which way the band of
the diode is installed!
With the game off, you can test a switch diode by
unsoldering one lead of the diode, and use your DMM (set to diode
setting), and test the diode. In one direction you should get .4 to
.6 volts. Reverse the leads and you should get a null or zero reading.
You can also test a diode with the game on and in switch test mode.
Do this by jumping the two switch wires together (before the diode).
If the switch registers in the self-test, the diode is bad.
What are the Diodes for?
The diode on each switch isolates that switch from the other switches
in the switch matrix's column. The diodes "steer" the signal
in one direction only. A shorted, broken, leaky or missing
diode can havoc in the switch matrix. A broken diode would cause
a switch to never be "seen" by the MPU (a broken wire will cause
this too!). A shorted diode will violate a switch's uniqueness, and
allow the switch strobe signal to show up at the wrong times, and
for the wrong switches! Leaky diodes can act some of the time like
a shorted diode, and other times be OK. This is the hardest
diode problem to locate, but luckily doesn't happen too often.
Using diodes allows the switch matrix to use only 16 wires for
64 switches. The matrix is made up of 8 rows and 8 columns,
allowing for a total of 64 switches. But a problem exists in
Bally's design; they don't use diodes on every switch!
The reason Bally did this was they felt diodes were not needed on the
coin mech switches. Since a coin mech switch would only be activated
by itself (and never during game play with the playfield switches),
they were un-needed. Also some early Bally electronics game playfield
switches are also missing diodes. These were omitted because it was
thought the ball could only activate one switch at a time.
Missing Diodes: the Problem.
If any of the switches without diodes get stuck closed (for whatever
reason), this sends a constant signal to the MPU which totally
confuses it. This can cause all kinds of other random game play
problems. Bally finally reconized this problem, and put diodes
on ALL switches by the mid-1980's. If your game is missing any
switch diodes, I recommend you install a 1N4148 or 1N914 diode on the
switch. Orient the band on the diode as it is installed in the
other switches.
Switch Matrix Problems caused by the Coin Door Credit Button.
The start (credit) button is insulated from the grounded
coin door with a piece of gray "fish paper". This paper stops the
start switch from being permanently grounded. Often this paper
gets worn, ripped or torn. This will cause the start button's entire switch strobe
(row) to be grounded. This can make your Bally/Stern game
do some weird stuff!
If your game has been broken into and the coin door pried
open, the start button's fish paper can be easily damaged
and causing a switch matrix problem.
For example, one strange problem seen from the start button
being permanently grounded was the player one display always
showed the same information as the credit/ball display. If the
start button gets grounded, other strange game behavior can
happen too like a confused game that just won't play right.
If you think the start button may be causing a problem, turn
the game off and unplug the coin door's connector plug. Then
turn the game back on and see if that clears the problem.
Switches as Interpretted by the MPU.
When a switch is closed, a row and column is crossed. This information
goes to the MPU through the wiring harness to the MPU connector J2.
Then the U10 PIA chip interprets this signal and directs it to the
U9 CPU. Now scoring or other game conditions occur.
The information can get sent to the MPU properely, but a corroded
MPU board can mis-direct the information. If acid damage gets underneath
connector J2, this can cause havoc. Also connector J3, which at pins
2 and 3 are the shared strobe signals from J2, can be shorted together
from corrosion damage and cause more havoc.
MPU Board DIP Switch Problems.
There is another area where the switch matrix can go crazy. This is
at the MPU board's 32 mini DIP switches. These switches too have
diodes, but if one diode goes bad, the DIP switches can be mis-interpretted,
and this can cause havoc in the switch matrix.
If you suspect the MPU board's DIP switches as a problem, just
turn them all OFF. This essentially removes them from the switch
matrix. Then the DIP switch's diodes can be individually tested
using your DMM (set to the diode setting). With the game off,
you should get a reading of .4 to .6 for each diode, and when the
DMM leads are reversed, a zero or null reading.
Multi-Ball Games and what is Required to Start a Game.
Some Bally multi-ball games require ALL the pinballs
to be in the right place before a game will start. If a pinball is
stuck or missing, often the game will not start.
Sometimes a wire coming off the trough switch can
also cause this problem. In either case the game appears to be
broken, when the fix is really just unsticking a ball or
re-attaching a trough switch wire. Here are the games that
are effected by this:
|
Multiball Games that Won't Play Because of Switch Trouble
|
| Game |
Balls |
Symptoms |
Trouble Switches |
| Centaur |
5 |
All zeros on; flickering displays. |
#01 Ball Trough #4
#02 Ball Trough #5 #08 Outhole (starts with #01 or #02) |
| Elektra |
2 |
Won't start; displays blank. |
#01 Outhole
#02 Left/Right of Outhole (starts with #1 or #2) |
| Embryon |
2 |
Will always start regardless |
#05 Left/Right of Outhole
#08 Outhole |
| Fathom |
3 |
Won't start; displays blank. |
#01 Outhole #02 Left of Outhole #1
#03 Left of Outhole #2 (starts with 1&2 or 1&3) |
| Fireball II |
3 |
Won't start; displays blank. |
#01 Outhole
#02 Left of Outhole #03 Left of Outhole #18 Right of Outhole |
| Vector |
3 |
Won't start; displays Ok. |
#01 Left of Outhole #2
#02 Left of Outhole #1 #03 Outhole |
| Xenon |
2 |
Won't start; displays blank. |
#02 Ball Release #1
#28 Ball Release #2 |
| Game |
Balls |
Symptoms |
Trouble Switches |
The above switches can be checked in diagnostic switch test.
On games with sound cards (Lost World
and later), this means pressing the red self-test button inside the
coin door FIVE times. For chime games prior to Lost World you only press
the test button four times. If the above switches
are mis-read by the MPU, this can cause a game to not start, more
than one ball being served to the shooter lane, no multi-ball, or
some other strange behavior.
3n. When things don't work: High Voltage Section Problems.
The high voltage section of the Solenoid driver board supplies
high voltage to the gas score display tubes to light them.
Adjust the High Voltage down to +170 Volts DC.
Bally and Stern games from 1977 to 1985 have an adjustable high voltage
potentiometer ("pot") on the Solenoid driver board. This pot is located
in the upper left corner of the board, beneath capacitor C26, and
to the left of capacitor C23. This pot allows you
to adjust the voltage going to the score displays for optimum voltage.
Bally recommends this voltage be adjusted to +190 volts DC. But for
increased display life, it's best if you adjust the voltage to +170 volts,
or as low as +155 volts. Brightness generally won't be effected since
there is a minimum voltage required for the gas inside the score
displays to glow. Set your high voltage to whatever value it takes to
adequately light all of your score displays, then turn it up just
a few volts higher. Keeping this voltage as low as possible will greatly
extend the life of these gas display tubes, and the display drive
circuits.
The high voltage adjustment pot on the Solenoid driver board.
|
|
How do I measure the High Voltage?
The high voltage can be measured on the solenoid driver board.
Put your DMM on DC volts, and put one lead on the solenoid
driver board's TP-2 test point. Put the other lead on ground.
This will measure the output high voltage from the solenoid
driver board.
Exception to the +170 volt High Voltage Rule.
When installing brand NEW score displays, it may require the full +190 volts
DC to light the displays for the first few hours. After the new displays
become "seasoned", you can back the voltage down to +170 volts or lower.
High Voltage Warning.
WARNING! The high voltage circuit contains a large capacitor at C26
which can retain high voltage at dangerous levels. This capacitor
will bleed off this high voltage to a relatively safe level after
the game has been off for a few minutes. Note this voltage can also be
dangerous to the integrated circuits on the solenoid driver board.
If you short this cap accidently to the logic circuit, it can
ruin those components.
Rebuilding the High Voltage Section.
If your high voltage section of your Solenoid driver board is not
working, you may need to rebuild it. This is pretty easy to do,
and fairly inexpensive. But you should install ALL the parts mentioned
below. The design of this circuit was very simple to keep costs
low. There is no protection against multiple part failures.
Often the parts in this section fail in pairs. So just replacing
one will burn out the new part in a short order. So replace all
the parts in this circuit to ensure reliability.
High Voltage Rebuild Parts Needed.
- 2N3584 transistor at Q21 (250 volts, 2 amp, TO-66 NPN).
- (2) 2N3440 transistors at Q22, Q23 (250 volts, 1 amp, TO-39 NPN).
- 1N5275A zener diode at VR1 (140 volts, 1 watt).
- 1N4004 diode at CR21 (400PIV, 1 amp).
- 3/16 amp fast blow fuse at F1.
- 22k ohm 1/2 watt resistor at R51.
- 1.2k ohm 1/4 watt resistor at R55.
- 82k ohm 1/2 watt resistor at R56.
- 8.2k ohm 1/4 watt resistor at R54.
- 390 ohm 1/4 watt resistor at R52.
- 100k ohm 1 watt resistor at R35.
- (2) .01 mfd 400 vdc metal polyester capacitors at C27, C28.
- 25k ohm potentiometer PC mount at RT1
You can probably get away with not replacing all the resistors.
But make sure you check them all with your DMM. If more than
5% out of spec, replace. It is very
common for a resistor to go open in this circuit. Remember to
install the new resistors and transistors slightly above the circuit board
to allow a good air flow. Re-use any transistor spacers
from the old transistors; they help prevent solder shorts. Definately
replace all the transistors and diodes and capacitors specified
above, regardless if they test good.
Replacement for the 2N3584 Transistor.
Often the high voltage 2N3584 transistor just can't be found.
If your high voltage section is showing really high voltage (like
230+ volts), often the 2N3584 and the 2N3440's have failed.
The 2N3440's are easy to get. So what can be used to replace
the hard to get 2N3584?
There is a replacement transistor, the BUX84. This transistor
has a TO-220 style case (instead of a TO-66 case).
You may need to enlarge the heat sink's
base/emitter holes to make sure there is plenty of clearance
for the new BUX84's base and emitter leads. You can
also cut off the BUX84's collector (center) lead.
You can do this because the BUX84's metal tab, which bolts to the
circuit board, will provide the transistor's collector connection.
Remember to also insulate the heat sink from
the transistor's (collector) metal tab. Use a nylon washer between the transistor's
metal tab and the heat sink. Also use a small piece of heat
shrink tubing to go over the bolt that holds the transistor
to the heat sink.
Testing Your Work.
After the new parts are installed, set the high voltage adjustment pot
to the minimum value (turn all the way to the left, counter-clockwise).
If the solenoid driver board is the later design, do NOT install
the the solenoid driver high voltage fuse!
Now turn the game on and measure the high voltage at TP2 on the solenoid
driver board. Now adjust the voltage to +170 volts (or lower, if
you can).
Now turn the game off and wait a minute or two for the voltage to
bleed off. Re-install the solenoid driver board's 3/16 amp fuse
at F1.
Finally, turn the game back on and press the
red test button switch inside the coin door
twice to run the display test. Let this test run for a few minutes,
and make sure all the displays work properely. Check the high voltage
again at the solenoid driver board's TP2 to verify everything is
Ok.
The "Short" High Voltage Fuse.
The fuse used on the AS2518-22 solenoid driver board for the high voltage section
is a smaller 8AG fast blo 3/16 amp style fuse. These are sometimes difficult to
find in the smaller 8AG style. If you can't find this fuse, you can solder
in a normal 1 1/4" fuse length fuse holder, and use the easier to get
3AG (1.25") fuse.
Replacing the small .75" 8AG fuse with a larger 1.25" fuse. If you can't find
a 3/16 amp .75" 8AG fuse, you can solder in a normal size fuse holder in it's
place (or bend the existing fuse clip, as described below). The larger 1.25"
long fuses are much easier to find.
|
|
Another alternative is to bend the fuse clip slightly to accomodate the longer
3AG (1.25") fuse. This can be done by pinching the right angled ends of the stock fuse holder
straight. These right angled ends stop a longer fuse from fitting in
the smaller fuse holder. When the ends are bent back, the longer 3AG (1.25") fuse
fits in the stock holder quite well.
Note the earlier AS2518-16 solenoid driver board does not have
this fuse. Also the earlier solenoid driver board AS2518-16 (without the fuse)
is directly interchangable with the later AS2518-22 solenoid driver
board (with the fuse).
3o. When things don't work: Score Displays
Replacement and Fixes.
The score displays on these older Bally games can be very
tempermental. Here are some tips to help keep them running.
Display Missing One Digit.
If one digit is missing on a 6 digit score display, this
can often be caused by a failed resistor. An open resistor
at R1, R3, R5, R7, R9 or R11 (on 6 digit displays) are often
the problem. If one is found bad (using your DMM set to ohms),
replace them all!. They are all 100k ohm resistors. Replace
with 1/2 watt versions, instead of the factory installed 1/4 watt
size. When installing the new resistor, make sure to leave them
slightly above the circuit board for better air flow. Also
clean off all the black soot that is attracted to the displays
with a 2 inch paint brush.
A 6 digit Bally display and circuit board.
|
|
Dim Score Displays.
Sometimes the score displays can seem dim.
This is often caused by resistors on the score display
circuit board. There are many resistors on this board.
Test them with your DMM to make sure they are
have correct values. Also make sure the header pins
and connector pins on the score display board are clean and bright. If they
are not, this adds resistance which dims the displays.
To correct this, the pins must be replaced. Also sometimes
the header pins can have cracked solder joints on the
score display circuit board too. Resolder these to correct
this problem.
Bally and Stern Display Units - Interchangable?
Six digit Bally and Stern display units are indeed interchangable.
But the seven digit displays are not! But you can modify a
Bally or Stern 7 digit display to work in either game.
To do this, jump together pins 11 and 12 of the Bally or Stern 7 digit display
with a short piece of wire. This will allow either 7 digit display to work
in either game. There is one problem with this, because the Stern
display circuit board is deeper than a Bally board. To make this
work, you must remount the tray-like mounting bracket on the other side
of the backbox door. If you are using a Bally 7 digit display in a Stern
game, be careful of shorting the circuit board to the metal bracket
since the board will not reach the rubber support buttons at
the rear of the bracket.
Finally, the Stern 7 digit display units do not have the circuitry to drive the
commas in the display tube. So if installed in a Bally game, the Stern 7 digit
display will never show any commas. If a Bally 7 digit display board is installed in
a Stern game, the commas will show up! This happens because the commas
are generated on the display board and is not part of the data sent
by the MPU.
Flickering Displays.
Flickering displays can often be attributed to cracked solder
joints or a broken lead on a component. Here are some things
to check:
- Pin 36 on the display glass.
- R21, R22, R29.
- Q17.
- U1 pin 13.
Often reflowing the solder joints on these components will fix
the flickering problem. Also reflow ALL the header pin solder
joints. These crack easily from plugging and unplugging the
cable.
The header pins on a score display circuit board.
These often need resoldered to fix flickering displays.
|
|
MPU board problems causing Score Display Problems.
If data from the MPU board is not properely sent to the
score displays, this can cause a display not to work.
Often the culprit is chip U20 on the MPU board. Move the
score displays to a different player to isolate and make
sure the problem does not lie within the score glass itself.
Test Counting Sequence Out of Numeric Order.
If during the score display internal test, the counting
sequence is strange (i.e. 0,1,0,1,4,5,4,5,8,9 instead of
0,1,2,3,4,5,6 etc), there could be a problem with one of the
address lines not being read correctly. If the problem
moves when you swap displays, this means the MPU board is
not the problem. Often the resistors R49 to R53 (20k)
can be the problem (should be within 5% of 20k ohms),
but also check for cracked solder joints at the header pins
(a VERY common problem).
The interesting thing is a bad display can affect the other displays.
You may have to issolate the displays to find the bad one by
plugging them into the game (with the game off) one at a time,
and then running diagnostics.
Replacing a Score Diplay Tube.
Score display tubes don't last forever. With time and usage,
the displays often "outgas". There is no way to fix this
short of replacing the glass display tube. Here's how to
do it:
- Cut the pins on the old score display tube. Do NOT try and
save the old glass! The circuit board is what you are trying
to save, not the (bad) glass.
- Remove the old tube's pins from the circuit board. Do this
by heating each cut pin, and pulling it out with needle nose
pliers. Then use a solder sucker to remove the old solder
from the circuit board holes.
- Install the bottom mounting bracket if it
was removed for cleaning!
- Feed the new display tube pin into the circuit board starting
at one end of the board. This is easiest if all pins are straight
first.
- When all the pins have been inserted, carefully bend the tube
pins to produce a strain relief bend in all of the pins. This
takes a bit of practice so that all the pins don't slip out of
the holes in the circuit board! This is very important because
as the display tube heats up, the tube can fail where the pins
enter the glass if there isn't good strain relief.
- Check display tube alignment before soldering. The bottom
plastic display bracket must be installed to check this. If
you screw this up, the score digits may not be fully visible
through the backglass score windows! Compare your new display
to an existing display to make sure things are correct.
- After aligned, gently clamp the tube in place with 2
wooden clothes pins.
- Tack solder the display pins at each end of the circuit
board. Re-check alignment.
- Solder all the display tube pins to the circuit board.
Make sure the pads are soldered good on both sides of the
circuit board. Inspect for any shorts between two pins.
- Clip off the excess display pin leads.
- Inspect again for shorts.
- Put two marble sized dabs of silicon adhesive on the circuit
board on both ends of the display glass. Do NOT fully glue the
glass to the circuit board!
- Put a big dab of silicon on the display tube's "nipple". This
will protect it from breaking and ruining the glass.
- Let the silcon dry overnight and re-install the display.
3p. When things don't work: Sound Board Problems.
The sound board discussed here is the Bally "Squawk and Talk" (S&T) board,
as used in most of their talking games.
Bad Speaker?
This happens more often than you think. A bad speaker, or a speaker with
one broken lead can drive you crazy thinking the sound problem is a lot
more complicated. Check the speaker first before proceeding.
Distorted Sound and Humming.
Dried out capacitors on the S&T board is the major cause.
The biggest offenders are the final filtering capacitors
at C16 and C22. These are 4.7 mfd 25 volt caps, but they should be
replaced with 6.8 mfd 16 volts (or higher volts). Here's are the
caps to replace:
- C16, C22 (4.7 mfd, but replace with 6.8 mfd 16 volt)
- C19, C24, C25, C28, C31, C34, C42 (1.0 mfd 25 volt)
- C15 (10 mfd 16 volt)
- C36, C43 (2.2 mfd 25 volt)
- C25, C34 (1 mfd 25 volt)
Make sure you install all the above electrolytic caps in
the right "direction". They are polarized, and there
should be a "+" on the circuit board to help installation.
As a last resort, replace C14 (4700 mfd 25 volts).
There generally is no need to replace the big caps
at C27 (100 mfd 16 volt), C29 (470 mfd 16 volt), and C34
(4700 mfd 25 volt). Though these are tempting
to replace, they are rarely the problem.
If replacing the above caps doesn't solve your sound problem,
it can also be caused by a bad U7 PIA chip. This controls execution
of speech via the TMS5200 speech chip. You can swap U7 and U11 (same
chip) to see if this makes any difference. If it does, that means
U7 is probably bad.
Also check the TMS5200 chip at U8 for oxidation on the chip legs,
or a poor connection in the socket. This too can cause faulty
speech. Sand off any oxidation on the chip legs and reinstall.
Another thing to try is swaping the PIA chips on the MPU board
at U10 and U11. Also a bad potentiometer on the S&T board can
cause bad speech problems.
Don't forget to check for cracked solder joints on the back of
connector J1 on the Squawk and Talk board. This too can cause
speech problems.
Checking Your Work.
There is a test button on the S&T board. Note this button is NOT
"debounced", and when pressed it makes multiple closures (the
switch was not debounced as a cost savings). This can
cause the CPU on the S&T board to lock up. Sometimes the S&T
board will "stutter" and then lock up. To clear this, turn the
game off, and then back on and wait for the game to re-boot. There is
no way to avoid the test button bouncing other than luck. The
S&T board's self test button should produce several speech phrases,
followed by a long single "sound". Then the board will re-boot itself.
Squawk and Talk LED Flashes.
The S&T has a series of LED power-on flashes much like the MPU does.
Here's a description of the flashes.
First Flicker.
Fakers Guide: No flicker means a bad U5, flakey U15, leaky C1, open R1,
leaky CR1, or bad U17.
Techno Guide: On power up, U1 requires +5 volts to be applied before the reset
line is allowed to go high. If this condition is met, the LED
does a quick "flicker". At power-on, C1 slowly charges via R1. The
voltage across C1 is monitored by U15. When it reaches 1.7 volts DC,
U15 take the reset line high. Diode CR1 across R1 provides a
quick discharge path for C1 in the event the +5 momentarily
disappears.
First Flash.
Fakers Guide: No first flash means a bad U6, U15 or U17.
Techno Guide: The U1 chip tests the U6 RAM. It attempts
to write then read back all 256 patterns in each of the 128 scratch
pad RAM memory locations. If U1 completes the 256 x 128 = 32,768 tests,
the LED is flashed.
Second Flash.
Fakers Guide: No second flash means PIA U7 is bad.
Techno Guide: The U1 chip now tests the first PIA U7. Each
of the two PIA chips U7 and U11 are interchangable. The test
is the same for both. If it determines the two PIAs are good,
the U1 chip performs some test. This includes testing each of
the two full byte port initialization registers, testing the two
full byte I/O registers, and testing the CA2 and CB2 ports.
If all checks out, the LED is flashed.
Third Flash.
Fakers Guide: No third flash means PIA U11 is bad.
Techno Guide: The same test above is performed on PIA U11.
Fourth Flash.
Fakers Guide: No fourth flash means sound generator U12 is bad.
Techno Guide: The U1 chip performs a test on the
sound generator chip U12. The U12 chip is controlled by
PIA U11. If the sound chip passes the LED is flashed the
fourth time. A bad PIA at U11 can also cause no fourth flash!
Or a bad connection between the three chips U1 (microproocessor),
U7 (PIA), and U12 (sound generator).
Fifth Flash*.
Fakers Guide: No fifth flash means speech chip U8 is bad. (NOTE:
Some games, namely Fathom, will not have a fifth flash! See the explaination
below.)
Techno Guide: The speech generator U8 chip requires
an initialization sequence at power-on. Since the chip
is a "slow" device, there is an acknowledgement signal from
the speech chip to the U7 PIA. Every time a write to the
speech chip is done, the speech chip acknowledges. The U7 PIA
attempts to send 9 bytes of initialization data to the speech
chip, one at a time, waiting for acknowledgement. If it is
sucessful, the speech chip is considered functional and the
LED is flashed the fifth time. A bad PIA at U7 can also cause
no fifth flash! Or a bad connection between the three chips U1 (microproocessor),
U7 (PIA), and U8 (speech chip).
*No Fifth S&T Flash on Fathom (and some other games).
Fathom does not use the AY-8912 PSG (Programable Sound Generator)
chip at U12 (and has the EE jumpers installed
on the S&T board indicating it is not used).
Because of this, only *four* flashes of the S&T LED will be
seen (after the initial power-on flicker). This is normal and correct.
Disassembly of the self-test ROM code for Fathom reveals there are only four calls to
the LED flash routine instead of five.
Normal Operation.
The S&T accepts address signals from the MPU to select one of the
sound or speech signals stored in memory. It then plays the request
by controlling the sound generator chip U12, or the D/A converter U10 for
sounds, or the speech generator chip U8 for speech. The S&T is notified
of a sound/speech request by an interrupt from the MPU.
Power Needs.
The S&T requires several voltages for operation. A +12 vdc at 3 amps (unregulated)
is required for the LED, VR1, and audio amplifier U18. Also +5 vdc is required
for the remaining components, and comes from 6.3 vdc through VR2. Also -5 vdc
is needed for the speech generator chip, and also comes from the 6.3 vdc input
voltage.
Audio Control.
The S&T generates speech via the U8 chip. Commands and speech data are passed
to this chip through U7 PIA. The speech chip uses the information it receives
to control an electronic vocal tract that produces a speech signal across
R14. This signal contains unwanted high frequencies that are removed in a
low pass filter through U13, C19, C20, C21, R11, R15, R16, R27 and R81.
The filtered speech signal is mixed with an optional
off-card audio signal and is given to the speech voltage controlled
amplifier (VCA). The output of the speech VCA is fed into the U18 power amplifier
(8 watts).
The Squawk and Talk in Technical DETAIL!
Clive Jones wrote and excellent technical document on exactly
how the Squawk and Talk works. If you wish to read this
document, go to squawk.htm.
No Sound and Loud Buzz from Speakers.
This isn't always a complicated problem. Sometimes no sound and/or loud buzzing
from the speakers can be as simple as a bad ground to the sound board. Check
the Molex connectors, and make sure the ground wires are making good contact
to the sound board.
3q. When things don't work: Miscellaneous Problems and Fixes.
These are a number of strange problems and solutions that people
have mentioned to me.
- "On my Eight Ball Deluxe (EBD), the score displays would flicker
during attract mode, and a bit during game play. Also occasionally
the flipper would cut out, or the flipper enable relay would chatter.
I did all the suggested power supply and solenoid board modifications
in this document too."
The problem turned out to be a bad ground path. The later Bally
games used a foil covered cardboard as the grounding method
for all the backbox boards. In this case, the foil was not
consistently making a good ground to the MPU board. Also the
green masking on the back of the MPU board was preventing
the board from touching the mounting bracket, so the ground
mod in this document did not help. To fix this, wires were run
from one mounting bracket on each board to a true ground. Also
the green solder mask was scraped from the circuit boards around
the mounting bracket. Also make sure the "earth-ground-cable" going
to the backbox is connected.
- "On my Elecktra, the player one display does not work."
The backbox "earth-ground-cable" was mistakenly not connected.
Attaching this cable fixed the problem.
- "On my Centaur I recently changed the battery because the
game wouldn't remember previous credits. After installing the
battery, I went to the self-test button to turn the background
sound back on. When I pressed the self-test button, it cycled through
the game tests. But the next time I pressed the button to go to the
bookkeeping functions, the displays went blank and the game locked up.
The game boots just fine and gets seven LED flashes too."
What has happened is the memory in the 5101 RAM has become
corrupt. Replacing the 5101 will fix this problem. Alternatively,
you can try grounding all the pins together on the existing 5101.
Sometimes that works too.
- "My Bally game works fine except for the flippers. They do
nothing. All fuses are Ok, as are the flipper EOS switches."
This is a very common problem. There is a relay on the solenoid
driver board that turns on the flippers during a game. The power
to this relay is through brown jumper wires between two header pins,
adjacent to the relay. If one of the wires break, comes loose, or their
solder points go cold, the flippers will no longer work.
On the back side of the solenoid driver board, look for the two
brown wires and resolder them to the connector header pins.
- "How do I reset the replay values and high scores?"
This can be done by pressing the red button on the MPU board when the game
is powered on. Note this is the button on the MPU board, not the red (self-test) button inside the
coin door!
- "I changed the battery or 5101 RAM on my MPU board, and now the
game's sound doesn't work; I only get "chime" sounds, where before
I got electronic sound."
On some 1982 to 1985 Bally games, there are
several different types of "sound themes" available. These are
kept in memory and not set by a DIP switch. If you change the battery
on your MPU board, the game will default to the chime sound. See
your game's manual for details on how to change to another sound theme.
- "My Centaur powers on but does not finish 'booting'."
Centaur is a multi-ball game that requires all balls to be in the ball
trough and the ball trough switches working before it will finish its power-on.
- "All playfield solenoids don't work."
First thing to check is the under the playfield fuse might be blown.
Next check fuse F4 on the power supply regulator board. Also check
it's fuse clip is in good condition with good tension, and is not brown. Now check TP5
(test point 5) on the power supply regulator board. You should get about 43 vdc. If
no voltage at TP5, assume the bridge BR3 on this board is bad and replace it.
After getting +43 vdc at TP5, then check connector J1, pin 6 on the power supply
regulator board. This brown wire goes directly to the playfield flipper
coils. If you have +43 volts at the connector, but not at the brown
wire on the flipper coils, you have a problem in the wiring.
Also note, +43 volts on some games is also used on the early A8 sound
board (Lost World to Dolly Parton). A problem on this sound board (or
a bad connector there) can cause problems.
If your game is not getting the 7th MPU LED flash, that means +43 volts
is missing. If you have checked all the above, verify you have +43 vdc on
the MPU board on the left (connector) side of R113. Now check the right
side of R113. If no voltage there, then replace R113 (2k, 1/4 watt) and
retest. If still no voltage, you probably have battery acid damage in
this area on the MPU board.
- "A playfield target feature lamp won't turn off."
A bad SCR on lamp driver
board, or bad capacitor on the switch that activates the lamp.
- "Only even numbered score displays show numbers."
A bad 5101 on the MPU board can cause this.
- "No game credits shown in the credit display."
There is a DIP switch setting to turn this back on!
- "Player one display always displays the same information
that's in the credit/ball display."
Maybe a problem with the start button! The start button has a piece
of "fish paper" (insulating paper) behind the last leaf. This
stops the switch leaf from touching the metal support behind
the switch. The fish paper had torn, and allowed the switch
blade to touch the metal (grounded) support. This has the effect
of grounding a row or column of the switch matrix. This will
cause all kinds of strange problems! A new piece of fish paper,
and the player one display worked fine.
- "My Bally game boots with 7 LED flashes, but I just can't
start a new game, even though I have credits."
Again, if the grey insulating fish paper on the coin door's start button is worn, ripped,
or damaged, this will ground that entire switch matrix strobe (row).
This can cause all kinds of strange game behavior.
- "All four of the 7-digit score displays on a 1980 Xenon have the
same problem; the first digit and the comma right after it are all
dimly lit and visible whenever the displays are on."
Try disconnecting
the score display modules one by one and see if the problem goes
away. If so it's related to one of the score display units. If this
doesn't correct the problem, most like the problem is the MPU board.
Check the MPU board's J1 connector for a poor connection. Also U20 or
it's associated components like U11 PIA could be faulty. Try swapping
U10 and U11 and see the problem changes. Also check the +190 volts
at the display board and make sure it is indeed from 155 to 190 volts.
- "Game starts but won't serve the ball to the shooter lane."
Make sure there are enough balls in the ball trough, and that all
the ball trough switches are working. If that is not the problem,
chances are this game uses a "solenoid expander board". This board
multiplexes a solenoid driver board transistor so it drives TWO
coils instead of one. If the solenoid expander board develops a
problem, certain coils may not work. See the section titled Solenoid
Expander Board section above for more details.
- "The wrong coil activates."
Make sure you have the correct game ROM software installed in the MPU board.
Aside from that, chances are this game
uses a "solenoid expander board". This board
multiplexes a solenoid driver board transistor so it drives TWO
coils instead of one. If the solenoid expander board develops a
problem, the wrong coils can be activated instead of the correct coil.
See the section titled Solenoid
Expander Board section above for more details.
- "Coil will not work, yet transistor check out good, and there's
power at the coil."
Bad or flakey connector on the solenoid driver board.
- "Can't get the last flash from the MPU (Star Trek)."
Solenoid fuse on the rectifier board was good, but a bad diode on the
sound board lowered the solenoid voltage enough to prevent the
MPU from flashing the last time.
- "Solenoids fire "out of order" in the diagnostic test mode."
Bad PIA on the MPU board. Try swapping U10 and U11 and see if the
problem changes. If so, U10 or U11 are bad.
- "Game boots up and everything is "slow" (power up tune is half
speed, and there's a delay from when the ball hits a bumper until
it scores)."
Check all passive components that connect to U12, the 555
timer chip. For example, capacitor C16 can go bad and slow the 555 timer
frequency, and increase the service interrupt period. This will "slow"
the game down.
- "I am working on a Mr/Mrs Pacman, and I notice the GI (general illumination) lamps flash
on and off at certain times during attract mode, but does not come on
during game play."
To make the GI lamps flash on and off, Bally used a Triac bolted to the
power supply board in the cabinet. The triac is cycled by the GI lamp
flasher board mounted under the playfield. This flasher board is similar
to a solenoid expander board. The output of a lamp SCR driver is used to
drive a MOC3011 opto coupler that drives the Triac. As with the solenoid
expander board, a dummy 555 lamp is connected to the SCR output on the
flasher board to insure there is enough current draw to drive the MOC3011.
Most likely this 555 bulb is burned out, and causing your problem. Also
check the flasher board for bad (cracked or cold) solder connections.
Check all the cable connections to the triac too. Lastly you can replace the
MOC3011 chip.
- "My Xenon won't run with the sound card and vocalizer plugged in.
If I unplug the vocalizer from the sound card, and the sound card
plugged in, the game works fine (but no sound)."
Probably a problem with bad capacitors or a bad voice ROM on the
volcalizer board. Also check the 3 vertically mounted diodes in
the lower right corner of the vocalizer board. When these go bad
the diodes run hot and the game has hum and noise. If you replace
the diodes, also replace the voltage regulator to the left of them.
- "My Mati Hari displays are strobing wildly. I swapped in a known
good driver board, but no change. These displays do not strobe in
another game. Game works and plays perfectly otherwise. What is wrong?"
Connector J1 in the upper left corner of the MPU board could be the problem.
Make sure there are no cracked solder joints on the MPU board's J1 connector header pins.
This problem could also be related to the rate the displays
are being updated. It could be a bad capacitor in the MPU's circuitry for the U12 (555) chip,
perhaps the "big green" capacitor.
- "My Bally Space Invaders continues to blow the 20A Fuse for the GI on the Rectifier Board
and I'm stumped. It doesn't blow the fuse iimmediately it usually does it shortly after game play begins.
Are there any components on the Rectifier Board that may be making it short out? If so what?"
This is never an easy problem. Break the GI lamp circuits down into sections and isolate the problem that way.
Maybe start by disconnecting GI to the backbox, to the cabinet, and/or to the playfield. Eventually you
should be able to isolate which part of GI is at fault.
Once you've localized it, start disconnecting different portions of the GI circuits on the components
in question (playfield, cabinet, backbox). Keep in mind there are two GI lines- red/white, and green/orange.
Each one usually runs a couple of lines of bulbs on playfield/backbox. Just start disconnecting a wire from
individual lines until problem goes away, then you've got it narrowed down even further.
The problem could be shorted wires or sockets, to wires swapped (red to white and vice-versa), even a #44 bulb
that had a filament wire sticking out of the bottom of it that was just long enough to short out against the
side of the bulb socket when it was installed (this is why I personally like to replace light bulbs with
the power on, so you can immediately see a problem bulb). There really aren't any components on the
rectifier board that control the GI circuit, unless it's a short on the back side of the board or something.
All that really is in the GI circuit on the rectifier board is the 20A fuse. GI power comes off
the transformer and goes through fuse. Then it goes to the various pins on J1, J2, and J3, and the test point.
Just look for wires rubbing, solder splash on traces/pins on back of board, etc.
Of course, if this was the case, then the fuse would still blow even when J1 and J3 were disconnected from
the rectifier board. If this isn't happening, then keep looking elsewhere in the game- backbox, playfield,
cabinet (coin door), etc.
- "When I turn on my Stern game with a M-200 MPU board, the game will energize coils, blink the lamps,
and the displays will count 1,2,3,etc real fast. What is the problem?"
If all 32 DIP switches on the Stern M-200 MPU board are in the OFF position, the Stern MPU
is designed to go into diagnostic test mode at boot-up. So either all your DIP switches are off, or PIA U10 is
bad and telling the CPU that all the switches are open (off).
- "My Stern Sea Witch with a M-200 MPU has a problem where it will not boot on occassion. Also the
bookkeeping and high score reset button has no effect. There is no MPU board corrosion, and the reset
section of the MPU has been totally replaced."
This person solved their problem by replacing the U9 6800 CPU chip. Apparently the NMI (non-maskable interupt)
circuit inside the CPU chip was damaged, maybe by static from a poorly grounded coin door. This CPU problem did not
show itself immediately, and let the MPU board function for the most part. The non-functioning
reset switch was the give-away here, since this switch connects to the NMI circuit on the CPU
chip.
- "My Baby Pacman's playfield GI {General Illumination} lights do not come on when the pinball mode starts, why?"
The playfield GI lamps are controlled by a Triac, so the lamps can be switched on and off (as the game moves
from video to pinball and back to video modes). There is a small driver board which holds the Triac. This
board is connected to a switched lamp SCR on the lamp driver board. If all the switched lamps do not work (fuse?),
or the SCR on the lamp driver board has failed, the playfield GI lamps will never turn on.
* Go to the Bally Repair Guide Part 1
* Go to the Bally Repair Guide Part 2
|